Przelotka kablowa gumowa otwarta 41 / 52 mm
Cena regularna:
towar niedostępny
dodaj do przechowalni
Opis
Przelotka kablowa (dławnica otwarta) z PVC, czarna, fi wewn. 41,0 mm, fi otworu montażowego 52,0 mm
Przelotka kablowa wykonana z wysokiej jakości PVC w kolorze czarnym to niezawodne rozwiązanie do ochrony przewodów przechodzących przez otwory w blachach, karoseriach czy obudowach. Dzięki otwartej konstrukcji, montaż przewodów jest szybki i wygodny, nawet w trudnodostępnych miejscach.
Główne cechy produktu:
Średnica wewnętrzna: 41 mm – odpowiednia do prowadzenia przewodów o max łącznej tej średnicy.
Średnica otworu montażowego: 52 mm – pasuje do standardowych otworów w metalu, plastiku czy innych materiałach.
Materiał: PVC – trwały, odporny na warunki atmosferyczne i działanie czynników chemicznych.
Kolor: czarny – estetyczny i uniwersalny, pasujący do większości zastosowań.
Zastosowanie: ochrona kabli przed przetarciem, uszkodzeniami mechanicznymi oraz zapewnienie estetycznego wykończenia instalacji.
Idealna do użytku w przemyśle, motoryzacji, instalacjach elektrycznych czy urządzeniach elektronicznych. Dzięki elastycznemu materiałowi zapewnia pewne osadzenie w otworze i łatwość użytkowania.
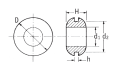
Rozmiar:
średnica d1: 41 mm
średnica d2: 52 mm
h: 2 mm
Przelotka gumowa otwarta, dławnica, dławik różnorakiego zastosowania:
w domu
w garażu
w motoryzacji
w hydraulice itp.


Wyświetlane są wszystkie opinie (pozytywne i negatywne). Nie weryfikujemy, czy pochodzą one od klientów, którzy kupili dany produkt.